关于我们
联系我们
您好!欢迎访问广州中龙电子机械有限公司
专业做产品专心待客户
专注FA机械零部件生产商
全国咨询热线:
15360575394
网站首页
关于我们
公司简介
厂房展示
产品展示
高精密导向轴
导向轴支座
固定环
直线轴承
微型滚珠衬套组件
同步轮
同步带
联轴器
滚珠丝杠
丝杆支撑座
直线导轨
新闻中心
公司新闻
行业动态
常见问答
合作案例
微型滚珠衬套应用
导向轴应用案例
滚珠丝杆应用案例
直线轴承应用案例
同步带应用案例
同步轮应用案例
无油衬套应用案例
联系我们
热门关键词:
高精密导向轴
导向轴支座
固定环
直线轴承
微型滚珠衬套组件
同步轮
您的位置:
主页
>
产品展示
>
滚珠丝杠
>
产品展示
高精密导向轴
导向轴支座
固定环
直线轴承
微型滚珠衬套组件
同步轮
同步带
联轴器
滚珠丝杠
丝杆支撑座
直线导轨
全国服务热线
15360575394
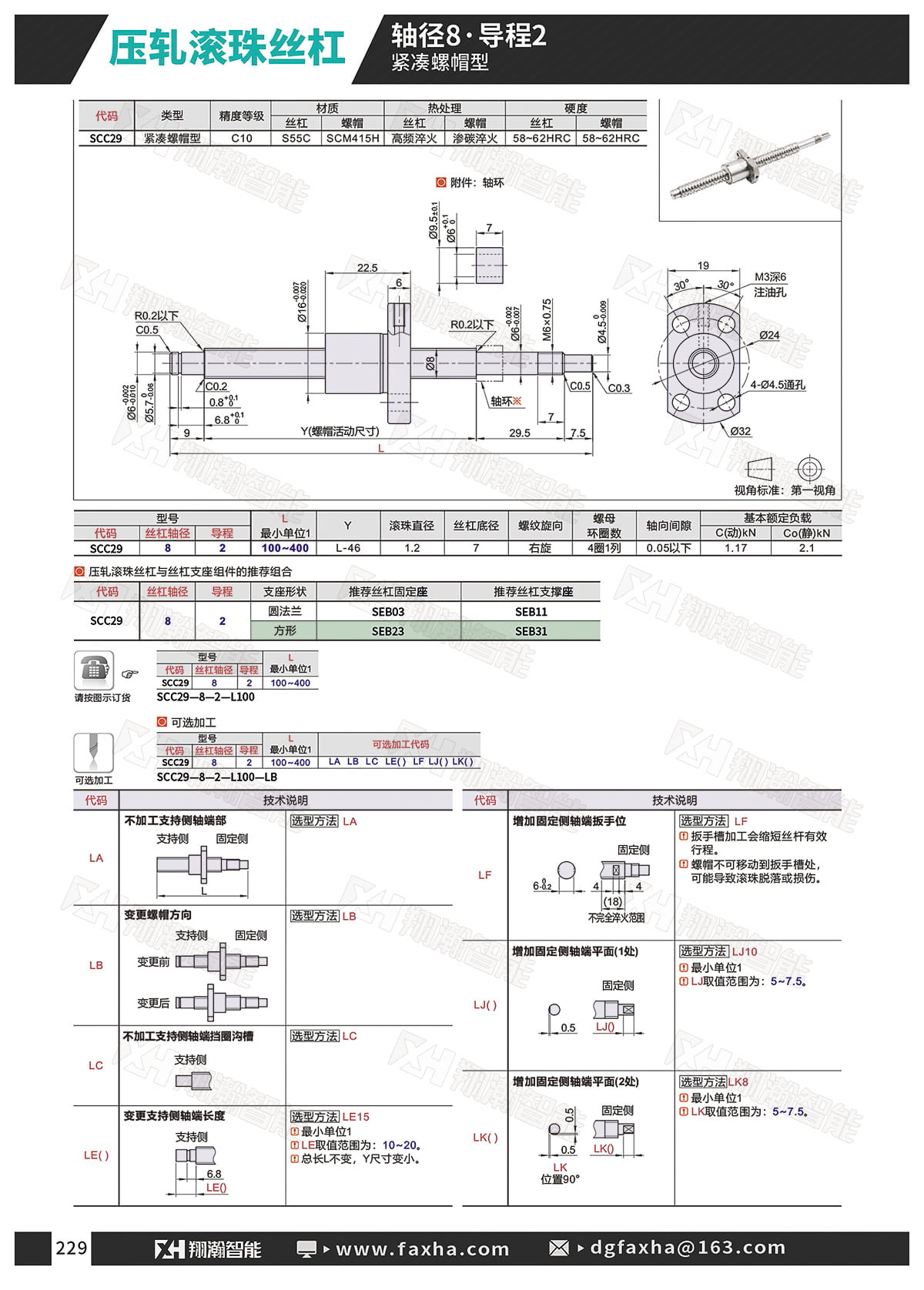
压轧滚珠丝杠 轴径8 导程2 紧凑螺帽型
压轧滚珠丝杠 轴径8 导程2 紧凑螺帽型
在线咨询
全国热线
15360575394
在线咨询
技术图档
产品详情
3D模型预览
品牌:TBI
精度等级:C7
产品材质:S55C
热处理:高频淬火
产品型号:
LCC07-8-2
热品推荐
微型滚珠衬套用滚珠滑套 标准型/紧凑型
微型滚珠衬套导向组件用衬套 标准/紧凑型
留言标题:
*
你的姓名:
联系电话:
电子邮箱:
联系地址:
留言内容:
验证码:
看不清?